HH5シリーズ
汎用形ミニコントロールリレーです。
ソレノイド負荷に最適な高容量形、高信頼性を必要とする制御用として双接点形、電圧降下の大きな回路用として低電圧保証形をはじめ、各種取付方法や動作表示ランプ付き、サージ吸収回路付きなど豊富な種類がそろっています。
プッシュインで配線可能なスプリング端子F-QuiQのソケットも新発売!
HH6シリーズ
高容量形のミニコントロールリレーです。
2極品を取り扱っています。
プラグイン形リレー(ネジ取付M3.5ソケット)
プラグイン形のリレーは、専用ソケットを使用して配線を行います。
配線そのものはソケットで行い、メンテナンス時は配線はそのままでリレー本体を脱着するだけなので、メンテナンス工数を削減できます。
| 取付方法 | 接点構成 | 機能 | 3A | 5A | 7A | 10A | ||||||
|---|---|---|---|---|---|---|---|---|---|---|---|---|
| 単接点(低電圧保証形) | 単接点(磁気保持形) | 双接点(低電圧保証形) | 双接点(磁気保持形) | 単接点 | 双接点 | 単接点 | 双接点 | 単接点 | ||||
ご希望の形式をお選びください。
形式をクリックすると製品詳細ページをご覧いただけます。
プラグイン形リレー(ネジ取付M3ソケット)
プラグイン形のリレーは、専用ソケットを使用して配線を行います。
配線そのものはソケットで行い、メンテナンス時は配線はそのままでリレー本体を脱着するだけなので、メンテナンス工数を削減できます。
| 取付方法 | 接点構成 | 機能 | 3A | 5A | 7A | 10A | ||||||
|---|---|---|---|---|---|---|---|---|---|---|---|---|
| 単接点 (低電圧保証形) |
単接点 (磁気保持形) |
双接点 (低電圧保証形) |
双接点 (磁気保持形) |
単接点 | 双接点 | 単接点 | 双接点 | 単接点 | ||||
ご希望の形式をお選びください。
形式をクリックすると製品詳細ページをご覧いただけます。
プラグイン形リレー(スプリング端子ソケット)
プラグイン形のリレーは、専用ソケットを使用して配線を行います。
配線そのものはソケットで行い、メンテナンス時は配線はそのままでリレー本体を脱着するだけなので、メンテナンス工数を削減できます。
更にF-QuiQソケットはプッシュイン方式のスプリング端子を採用しており、配線時には電線を挿入するだけで完了します
| 取付方法 | 接点構成 | 機能 | 3A | 5A | 7A | 10A | ||||||
|---|---|---|---|---|---|---|---|---|---|---|---|---|
| 単接点 (低電圧保証形) |
単接点 (磁気保持形) |
双接点 (低電圧保証形) |
双接点 (磁気保持形) |
単接点 | 双接点 | 単接点 | 双接点 | 単接点 | ||||
| プラグイン | 2C | 標準形 | 本体形式 | HH54-2P□ | HH52P-R□ | HH54-2PW□ | HH52PW-R□ | HH52P□ | HH52PW□ | HH52PU□ | HH62PW□ | HH62P□ |
|---|---|---|---|---|---|---|---|---|---|---|---|---|
| ソケット形式 | TP58Q | - | TP58Q | - | TP58Q | TP58Q | TP58Q | - | - | |||
| サージ吸収用ダイオード付 | 本体形式 | HH54-2P-F□ | HH52P-RF□ | HH54-2PW-F□ | HH52PW-RF□ | HH52P-F□ | HH52PW-F□ | HH52PU-F□ | HH62PW-F□ | HH62P-F□ | ||
| ソケット形式 | TP58Q | - | TP58Q | - | TP58Q | TP58Q | TP58Q | - | - | |||
| サージ吸収用ダイオード、 動作表示ランプ付 |
本体形式 | HH54-2P-FL□ | - | HH54-2PW-FL□ | - | HH52P-FL□ | HH52PW-FL□ | HH52PU-FL□ | HH62PW-FL□ | HH62P-FL□ | ||
| ソケット形式 | TP58Q | - | TP58Q | - | TP58Q | TP58Q | TP58Q | - | - | |||
| 動作表示ランプ付 | 本体形式 | HH54-2P-L□ | - | HH54-2PW-L□ | - | HH52P-L□ | HH52PW-L□ | HH52PU-L□ | HH62PW-L□ | HH62P-L□ | ||
| ソケット形式 | TP58Q | - | TP58Q | - | TP58Q | TP58Q | TP58Q | - | - | |||
| サージ吸収用CR付 | 本体形式 | HH54-2P-CR□ | - | HH54-2PW-CR□ | - | HH52P-CR□ | HH52PW-CR□ | HH52PU-CR□ | HH62PW-CR□ | HH62P-CR□ | ||
| ソケット形式 | TP58Q | - | TP58Q | - | TP58Q | TP58Q | TP58Q | - | - | |||
| サージ吸収用CR、 動作表示ランプ付 |
本体形式 | HH54-2P-CRL□ | - | HH54-2PW-CRL□ | - | HH52P-CRL□ | HH52PW-CRL□ | HH52PU-CRL□ | HH62PW-CRL□ | HH62P-CRL□ | ||
| ソケット形式 | TP58Q | - | TP58Q | - | TP58Q | TP58Q | TP58Q | - | - | |||
| 3C | 標準形 | 本体形式 | - | - | - | - | HH53P□ | - | - | - | - | |
| ソケット形式 | - | - | - | - | - | - | - | - | - | |||
| サージ吸収用ダイオード付 | 本体形式 | - | - | - | - | HH53P-F□ | - | - | - | - | ||
| ソケット形式 | - | - | - | - | - | - | - | - | - | |||
| サージ吸収用ダイオード、 動作表示ランプ付 |
本体形式 | - | - | - | - | HH53P-FL□ | - | - | - | - | ||
| ソケット形式 | - | - | - | - | - | - | - | - | - | |||
| 動作表示ランプ付 | 本体形式 | - | - | - | - | HH53P-L□ | - | - | - | - | ||
| ソケット形式 | - | - | - | - | - | - | - | - | - | |||
| サージ吸収用CR付 | 本体形式 | - | - | - | - | HH53P-CR□ | - | - | - | - | ||
| ソケット形式 | - | - | - | - | - | - | - | - | - | |||
| サージ吸収用CR、 動作表示ランプ付 |
本体形式 | - | - | - | - | HH53P-CRL□ | - | - | - | - | ||
| ソケット形式 | - | - | - | - | - | - | - | - | - | |||
| 4C | 標準形 | 本体形式 | HH54P□ | - | HH54PW□ | - | HH54PU□ | - | - | - | - | |
| ソケット形式 | TP514Q | - | TP514Q | - | TP514Q | - | - | - | - | |||
| サージ吸収用ダイオード付 | 本体形式 | HH54P-F□ | - | HH54PW-F□ | - | HH54PU-F□ | - | - | - | - | ||
| ソケット形式 | TP514Q | - | TP514Q | - | TP514Q | - | - | - | - | |||
| サージ吸収用ダイオード、 動作表示ランプ付 |
本体形式 | HH54P-FL□ | - | HH54PW-FL□ | - | HH54PU-FL□ | - | - | - | - | ||
| ソケット形式 | TP514Q | - | TP514Q | - | TP514Q | - | - | - | - | |||
| 動作表示ランプ付 | 本体形式 | HH54P-L□ | - | HH54PW-L□ | - | HH54PU-L□ | - | - | - | - | ||
| ソケット形式 | TP514Q | - | TP514Q | - | TP514Q | - | - | - | - | |||
| サージ吸収用CR付 | 本体形式 | HH54P-CR□ | - | HH54PW-CR□ | - | HH54PU-CR□ | - | - | - | - | ||
| ソケット形式 | TP514Q | - | TP514Q | - | TP514Q | - | - | - | - | |||
| サージ吸収用CR、 動作表示ランプ付 |
本体形式 | HH54P-CRL□ | - | HH54PW-CRL□ | - | HH54PU-CRL□ | - | - | - | - | ||
| ソケット形式 | TP514Q | - | TP514Q | - | TP514Q | - | - | - | - |
ご希望の形式をお選びください。
形式をクリックすると製品詳細ページをご覧いただけます。
プラグイン形リレー(はんだ付配線用ソケット)
プラグイン形のリレーは、専用ソケットを使用して配線を行います。
配線そのものはソケットで行い、メンテナンス時は配線はそのままでリレー本体を脱着するだけなので、メンテナンス工数を削減できます。
| 取付方法 | 接点構成 | 機能 | 3A | 5A | 7A | 10A | ||||||
|---|---|---|---|---|---|---|---|---|---|---|---|---|
| 単接点(低電圧保証形) | 単接点(磁気保持形) | 双接点(低電圧保証形) | 双接点(磁気保持形) | 単接点 | 双接点 | 単接点 | 双接点 | 単接点 | ||||
| プラグイン | 2C | 標準形 | 本体形式 | HH54-2P□ | HH52P-R□ | HH54-2PW□ | HH52PW-R□ | HH52P□ | HH52PW□ | HH52PU□ | HH62PW□ | HH62P□ |
|---|---|---|---|---|---|---|---|---|---|---|---|---|
| ソケット形式 | TP58 | TP514 | TP58 | TP514 | TP58 | TP58 | TP58 | TP68 | TP68 | |||
| サージ吸収用ダイオード付 | 本体形式 | HH54-2P-F□ | HH52P-RF□ | HH54-2PW-F□ | HH52PW-RF□ | HH52P-F□ | HH52PW-F□ | HH52PU-F□ | HH62PW-F□ | HH62P-F□ | ||
| ソケット形式 | TP58 | TP514 | TP58 | TP514 | TP58 | TP58 | TP58 | TP68 | TP68 | |||
| サージ吸収用ダイオード、 動作表示ランプ付 |
本体形式 | HH54-2P-FL□ | - | HH54-2PW-FL□ | - | HH52P-FL□ | HH52PW-FL□ | HH52PU-FL□ | HH62PW-FL□ | HH62P-FL□ | ||
| ソケット形式 | TP58 | - | TP58 | - | TP58 | TP58 | TP58 | TP68 | TP68 | |||
| 動作表示ランプ付 | 本体形式 | HH54-2P-L□ | - | HH54-2PW-L□ | - | HH52P-L□ | HH52PW-L□ | HH52PU-L□ | HH62PW-L□ | HH62P-L□ | ||
| ソケット形式 | TP58 | - | TP58 | - | TP58 | TP58 | TP58 | TP68 | TP68 | |||
| サージ吸収用CR付 | 本体形式 | HH54-2P-CR□ | - | HH54-2PW-CR□ | - | HH52P-CR□ | HH52PW-CR□ | HH52PU-CR□ | HH62PW-CR□ | HH62P-CR□ | ||
| ソケット形式 | TP58 | - | TP58 | - | TP58 | TP58 | TP58 | TP68 | TP68 | |||
| サージ吸収用CR、 動作表示ランプ付 |
本体形式 | HH54-2P-CRL□ | - | HH54-2PW-CRL□ | - | HH52P-CRL□ | HH52PW-CRL□ | HH52PU-CRL□ | HH62PW-CRL□ | HH62P-CRL□ | ||
| ソケット形式 | TP58 | - | TP58 | - | TP58 | TP58 | TP58 | TP68 | TP68 | |||
| 3C | 標準形 | 本体形式 | - | - | - | - | HH53P□ | - | - | - | - | |
| ソケット形式 | - | - | - | - | TP511 | - | - | - | - | |||
| サージ吸収用ダイオード付 | 本体形式 | - | - | - | - | HH53P-F□ | - | - | - | - | ||
| ソケット形式 | - | - | - | - | TP511 | - | - | - | - | |||
| サージ吸収用ダイオード、 動作表示ランプ付 |
本体形式 | - | - | - | - | HH53P-FL□ | - | - | - | - | ||
| ソケット形式 | - | - | - | - | TP511 | - | - | - | - | |||
| 動作表示ランプ付 | 本体形式 | - | - | - | - | HH53P-L□ | - | - | - | - | ||
| ソケット形式 | - | - | - | - | TP511 | - | - | - | - | |||
| サージ吸収用CR付 | 本体形式 | - | - | - | - | HH53P-CR□ | - | - | - | - | ||
| ソケット形式 | - | - | - | - | TP511 | - | - | - | - | |||
| サージ吸収用CR、 動作表示ランプ付 |
本体形式 | - | - | - | - | HH53P-CRL□ | - | - | - | - | ||
| ソケット形式 | - | - | - | - | TP511 | - | - | - | - | |||
| 4C | 標準形 | 本体形式 | HH54P□ | - | HH54PW□ | - | HH54PU□ | - | - | - | - | |
| ソケット形式 | TP514 | - | TP514 | - | TP514 | - | - | - | - | |||
| サージ吸収用ダイオード付 | 本体形式 | HH54P-F□ | - | HH54PW-F□ | - | HH54PU-F□ | - | - | - | - | ||
| ソケット形式 | TP514 | - | TP514 | - | TP514 | - | - | - | - | |||
| サージ吸収用ダイオード、 動作表示ランプ付 |
本体形式 | HH54P-FL□ | - | HH54PW-FL□ | - | HH54PU-FL□ | - | - | - | - | ||
| ソケット形式 | TP514 | - | TP514 | - | TP514 | - | - | - | - | |||
| 動作表示ランプ付 | 本体形式 | HH54P-L□ | - | HH54PW-L□ | - | HH54PU-L□ | - | - | - | - | ||
| ソケット形式 | TP514 | - | TP514 | - | TP514 | - | - | - | - | |||
| サージ吸収用CR付 | 本体形式 | HH54P-CR□ | - | HH54PW-CR□ | - | HH54PU-CR□ | - | - | - | - | ||
| ソケット形式 | TP514 | - | TP514 | - | TP514 | - | - | - | - | |||
| サージ吸収用CR、 動作表示ランプ付 |
本体形式 | HH54P-CRL□ | - | HH54PW-CRL□ | - | HH54PU-CRL□ | - | - | - | - | ||
| ソケット形式 | TP514 | - | TP514 | - | TP514 | - | - | - | - |
ご希望の形式をお選びください。
形式をクリックすると製品詳細ページをご覧いただけます。
プラグイン形リレー(プリント基盤搭載用ソケット)
プラグイン形のリレーは、専用ソケットを使用して配線を行います。
配線そのものはソケットで行い、メンテナンス時は配線はそのままでリレー本体を脱着するだけなので、メンテナンス工数を削減できます。
| 取付方法 | 接点構成 | 機能 | 3A | 5A | 7A | 10A | ||||||
|---|---|---|---|---|---|---|---|---|---|---|---|---|
| 単接点(低電圧保証形) | 単接点(磁気保持形) | 双接点(低電圧保証形) | 双接点(磁気保持形) | 単接点 | 双接点 | 単接点 | 双接点 | 単接点 | ||||
ご希望の形式をお選びください。
形式をクリックすると製品詳細ページをご覧いただけます。
プラグイン形リレー(ラッピング配線用ソケット)
プラグイン形のリレーは、専用ソケットを使用して配線を行います。
配線そのものはソケットで行い、メンテナンス時は配線はそのままでリレー本体を脱着するだけなので、メンテナンス工数を削減できます。
| 取付方法 | 接点構成 | 機能 | 3A | 5A | 7A | 10A | ||||||
|---|---|---|---|---|---|---|---|---|---|---|---|---|
| 単接点 (低電圧保証形) |
単接点 (磁気保持形) |
双接点 (低電圧保証形) |
双接点 (磁気保持形) |
単接点 | 双接点 | 単接点 | 双接点 | 単接点 | ||||
ご希望の形式をお選びください。
形式をクリックすると製品詳細ページをご覧いただけます。
プラグイン形リレー(リレー本体のみ)
プラグイン形のリレーは、専用ソケットを使用して配線を行います。
配線そのものはソケットで行い、メンテナンス時は配線はそのままでリレー本体を脱着するだけなので、メンテナンス工数を削減できます。
| 取付方法 | 接点構成 | 機能 | 3A | 5A | 7A | 10A | |||||
|---|---|---|---|---|---|---|---|---|---|---|---|
| 単接点 (低電圧保証形) |
単接点 (磁気保持形) |
双接点 (低電圧保証形) |
双接点 (磁気保持形) |
単接点 | 双接点 | 単接点 | 双接点 | 単接点 | |||
ご希望の形式をお選びください。
形式をクリックすると製品詳細ページをご覧いただけます。
プリント基板搭載形
プリント基板に実装するタイプのリレーです。
| 接点構成 | 機能 | 3A | 5A | 7A | 10A | |||||
|---|---|---|---|---|---|---|---|---|---|---|
| 単接点 (低電圧保証形) |
単接点 (磁気保持形) |
双接点 (低電圧保証形) |
双接点 (磁気保持形) |
単接点 | 双接点 | 単接点 | 双接点 | 単接点 | ||
ご希望の形式をお選びください。
形式をクリックすると製品詳細ページをご覧いただけます。
ケース前面取付形
ケース前面のフランジ(出っ張り形状)でパネルにねじ固定するタイプのリレーです。
| 取付方法 | 接点構成 | 機能 | 3A | 5A | 7A | 10A | |||||
|---|---|---|---|---|---|---|---|---|---|---|---|
| 単接点(低電圧保証形) | 単接点(磁気保持形) | 双接点(低電圧保証形) | 双接点(磁気保持形) | 単接点 | 双接点 | 単接点 | 双接点 | 単接点 | |||
| ケース前面取付形 | 2C | 標準形 | HH54-2S□ | HH52S-R□ | HH54-2SW□ | HH52SW-R□ | HH52S□ | HH52SW□ | HH52SU□ | HH62SW□ | HH62S□ |
| サージ吸収用ダイオード付 | HH54-2S-F□ | HH52S-RF□ | HH54-2SW-F□ | HH52SW-RF□ | HH52S-F□ | HH52SW-F□ | HH52SU-F□ | HH62SW-F□ | HH62S-F□ | ||
| サージ吸収用CR付 | HH54-2S-CR□ | - | HH54-2SW-CR□ | - | HH52S-CR□ | HH52SW-CR□ | HH52SU-CR□ | - | - | ||
| 3C | 標準形 | - | - | - | - | HH53S□ | - | - | - | - | |
| サージ吸収用ダイオード付 | - | - | - | - | HH53S-F□ | - | - | - | - | ||
| サージ吸収用CR付 | - | - | - | - | HH53S-CR□ | - | - | - | - | ||
| 4C | 標準形 | HH54S□ | - | HH54SW□ | - | HH54SU□ | - | - | - | - | |
| サージ吸収用ダイオード付 | HH54S-F□ | - | HH54SW-F□ | - | HH54SU-F□ | - | - | - | - | ||
| サージ吸収用CR付 | HH54S-CR□ | - | HH54SW-CR□ | - | HH54SU-CR□ | - | - | - | - | ||
ご希望の形式をお選びください。
形式をクリックすると製品詳細ページをご覧いただけます。
サポート・お問い合わせ
ご希望の形式をお選びください。
形式をクリックすると製品詳細ページをご覧いただけます。
資料ダウンロードサイト
会員限定の技術資料およびサンプルプログラム等を無料
にてダウンロードすることが出来ます。
※ Feメンバーシッププレミアム会員のご登録が必要となります。
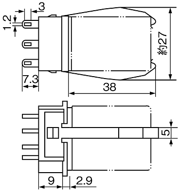
- 外形寸法図
-
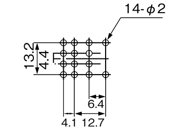
- パネル穴明寸法
※ パネル厚さ1~2mm -
- 外形寸法図
-
- パネル穴明寸法
※ パネル厚さ1~2mm -
- 外形寸法図
-
- パネル穴明寸法
※ パネル厚さ1~2mm -
- 外形寸法図
-
- パネル穴明寸法
※ パネル厚さ1~2mm -
- 外形寸法図
-
- パネル穴明寸法
※ パネル厚さ1~2mm -
- 外形寸法図
-
- パネル穴明寸法
※ パネル厚さ1~2mm -
- 外形寸法図
-
- パネル穴明寸法
※ パネル厚さ1~2mm -
- 外形寸法図
-
- パネル穴明寸法
※ パネル厚さ1~2mm -
- 外形寸法図
-
- パネル穴明寸法
※ パネル厚さ1~2mm -
- 外形寸法図
-
- パネル穴明寸法
※ パネル厚さ1~2mm -
- 外形寸法図
-
- パネル穴明寸法
※ パネル厚さ1~2mm -
- 外形寸法図
-
- パネル穴明寸法
※ パネル厚さ1~2mm -
- 外形寸法図
-
- パネル穴明寸法
※ パネル厚さ1~2mm -
- 外形寸法図
-
- パネル穴明寸法
※ パネル厚さ1~2mm -
- 外形寸法図
-
- パネル穴明寸法
※ パネル厚さ1~2mm -
- 外形寸法図
-
- パネル穴明寸法
※ パネル厚さ1~2mm -
- 外形寸法図
-
- パネル穴明寸法
※ パネル厚さ1~2mm -
- 外形寸法図
-
- パネル穴明寸法
※ パネル厚さ1~2mm -
- 外形寸法図
-
- パネル穴明寸法
※ パネル厚さ1~2mm -
- 外形寸法図
-
- パネル穴明寸法
※ パネル厚さ1~2mm -
