新SC・NEO SCシリーズSW-0 新旧製品比較
フリーワードから探す
電磁開閉器(非可逆・ケースカバーなし)
| 最新シリーズ | 現行シリーズ | 従来シリーズ | ||||||
|---|---|---|---|---|---|---|---|---|
| SC-NEXTシリーズ | 新SC,NEO SCシリーズ | SRC,New SCシリーズ | ||||||
| 電磁開閉器形式 | SW12X | SW-0 | SRCb3931-0 CN | |||||
| 組合せ電磁接触器形式 + 組合せサーマルリレー形式 |
SC12X + TR18X |
SC-0 + TR-0N |
SRCa3631-0 + TR-0 |
|||||
| 定格容量 (AC-3) |
220V | 2.7kW 13A | 2.7kW 13A | 2.7kW 12A(13A) | ||||
| 440V | 5.5kW 12A | 4kW 9A | 4kW 9A | |||||
| 補助接点構成 | 1a, 1b | 1a, 1b | 1a | |||||
| 外形寸法〔mm〕 幅×縦×奥行 |
交流操作形 | 45×125×78 | 44×122×80 | 51.5×104.5×79.5 | ||||
| 直流操作形 | 45×125×96 | 44×122×107 | - | |||||
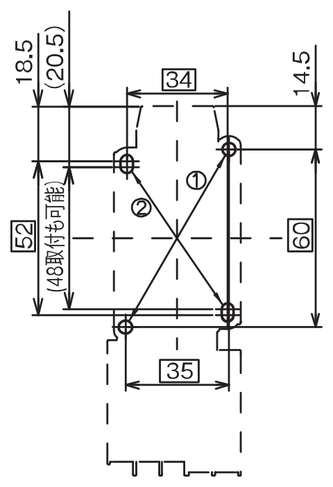
| 取付寸法 |
|
|
|
|||||
| 主回路 | 端子ねじ | M3.5 | M3.5 | M3.5 | ||||
| 圧着端子 最大幅 |
電磁接触器 | 7.7mm | 7.7mm | 6.8mm | ||||
| サーマルリレー | 7.7mm | 7.7mm | 6.8mm | |||||
| 補助回路 | 端子ねじ | M3.5 | M3.5 | M3.5 | ||||
| 圧着端子 最大幅 |
電磁接触器 | 7.7mm | 7.7mm | 6.8mm | ||||
| サーマルリレー | 7.7mm | 7.7mm | 6.8mm | |||||
| 接点構成 |
|
|
|
|||||
| 新SC、NEOシリーズとの取付互換性 | ○ | |||||||
| SRC,New SCシリーズとの取付互換性 | ○ | |||||||
- ※ 定格容量の( )内定格は、電磁接触器としてサーマルリレーなしで使用する場合の定格です。
- ※ 外形寸法は、幅(W)×縦(H)×奥行(D) により示しています。
- ※ 適合丸形圧着端子(JIS C 2805)のサイズは最大幅で表示しています。なお( )内数値は呼びサイズを示しています。
- ※ 現行サイズとの取付互換性表示……○:取付互換性あり、△( ):( )内形式のアダプタプレート取付による取付互換性あり、-:取付互換性なし
資料ダウンロードサイト
会員限定の技術資料およびサンプルプログラム等を無料
にてダウンロードすることが出来ます。
※ Feメンバーシッププレミアム会員のご登録が必要となります。
