- 現行品
電力監視機器モータコントロール用 CMC-Ⅲシリーズ
フリーワードから探す
モータコントロール用 CMC-Ⅲシリーズ
コンパクトな形状に必要十分な機能(運転・保護・監視)を凝集し、設備の簡素化に貢献します。
低圧モータコントローラの必要機能を複合電子化した小型マルチモータコントローラです。
- 保護機能を大幅に強化します。
- ・モニタへの表示を充実させました。
- ・多様なシーケンス制御が可能になりました。
- ・多様なネットワークに対応しています。
- ・汎用入出力機能を自由に選択可能です。
- ・簡易電力監視機能に利用可能です。
- ・運転データを保持、長期間の停電時にも失われません。
- ・表面パネルには保護カバーがあり、意図しない誤操作を防止しています。
一般仕様
| 項目 | 仕様 |
|---|
| 制御電源(標準) | AC100V(AC85-132V) |
|---|---|
| 突入電流 | 20A以下、3ms以下(AC100V) |
| 消費電力 | 8VA以下(入力、出力負荷含みません。) |
| 定格周波数 | 50/60Hz(整定で選択) |
| 絶緑抵抗 | 電気回路一括対地問10MΩ以上 |
| 耐振動 | JIS C 60068-2-6 |
| 10~58Hz:片振幅0.075mm、58~150Hz:定加速度10m/s2 | |
| XYZ各方向 8分×10サイクル | |
| 耐衝撃 | JIS C 60068-2-27 正弦半波300m/s2、X、Y、Z各方向に3回 |
| 耐電圧 | 充電部一括対地間AC2kV・1分間 ただし、通信線、CT、ZCT、アナログ入出力端子は除きます。 |
| 周囲温度 | -10~55℃(氷結しないこと。) |
| 保存温度 | -20~70℃(氷結・結露しないこと。) |
| 相対湿度 | 20~90% RH(結露しないこと) |
| 使用雰囲気 | 腐食性ガス、過度の塵埃がないこと。 |
| 接地 | D種接地(100Ω以下) |
| 質重 | 約470g |
| 許容瞬停時間 | 20ms以下(運転継続) |
| 耐ノイズ (減衰振動波ノイズ) |
整定電流値の95% の電流を通電した状態において、1~1.5MHz、ピーク電圧2.5~3kVの 減衰振動電圧を2秒間印加。 ※制御電源部、出力部 |
| 耐ノイズ (高周波ノイズ) |
ピーク電圧2.0kV方形波インパルス性ノイズ (1ns/1µs、100ns · 10分間)*制御電源部、I/O部 |
| 耐静電気ノイズ (前面パネル部) |
金属部接触 ±8kV パネル面(非金属非接触)±15kV |
| 電波ノイズ | 電波周波数帯:50MHz帯/144MHz帯/430MHz帯 · 5W 1,200MHz帯 · 1W |
| 雷インパルス | 制御電源一括対地間 4.5kV(1.2/50µs) |
| 耐ひずみ波 | 基本波に対し30%の第5調波を含有した整定電流の95%を印加し誤動作・誤表示無きこと |
| 過負荷耐量 | 電流入力部:専用組合せカレントコンバータ2次電流の定格20倍2秒間2回 |
| 入出力接続方式 | コネクタ方式 適用電線 芯線サイズ:AWG 24~18 被覆外形:3.1mm max. |
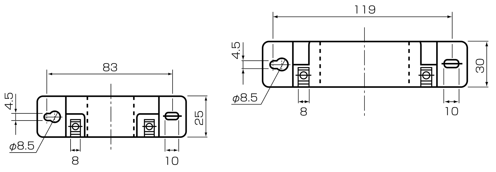
外形寸法図
CMC-IIIシリーズ本体
パネルカット図
三相補助CT
補助ZCT
形式説明
サポート・お問い合わせ
資料ダウンロードサイト
会員限定の技術資料およびサンプルプログラム等を無料
にてダウンロードすることが出来ます。
※ Feメンバーシッププレミアム会員のご登録が必要となります。
