SC-NEXTシリーズSC12XA 新旧製品比較(SC-05)
フリーワードから探す
電磁接触器(非可逆・ケースカバーなし)
| 最新シリーズ | 現行シリーズ | 従来シリーズ | |||||
|---|---|---|---|---|---|---|---|
| SC-NEXTシリーズ | 新SC,NEO SCシリーズ | SRC,New SCシリーズ | |||||
| 電磁接触器形式 | SC12X | SC-05 | SRCa3631-05 |
| 定格容量 (AC-3) |
220V | 2.7kW 13A | 2.7kW 13A | 2.7kW 13A | |||
| 440V | 5.5kW 12A | 4kW 9A | 4kW 9A | ||||
|---|---|---|---|---|---|---|---|
| 開放熱電流(定格通電電流)〔A〕 | 20 | 20 | 20 | ||||
| 補助接点構成 | 1a, 1b 補助接点ユニット(SZ3AS1)を追加した 2a1b、1a2b接点構成も ご用意しております |
2a, 1a1b, 2b | 1a1b | ||||
| 外形寸法〔mm〕 幅×縦×奥行 |
交流操作形 | 43×80×78 | 53×81×80 | 53×71×75 | |||
| 直流操作形 | 43×80×96 | 53×81×107 | - | ||||
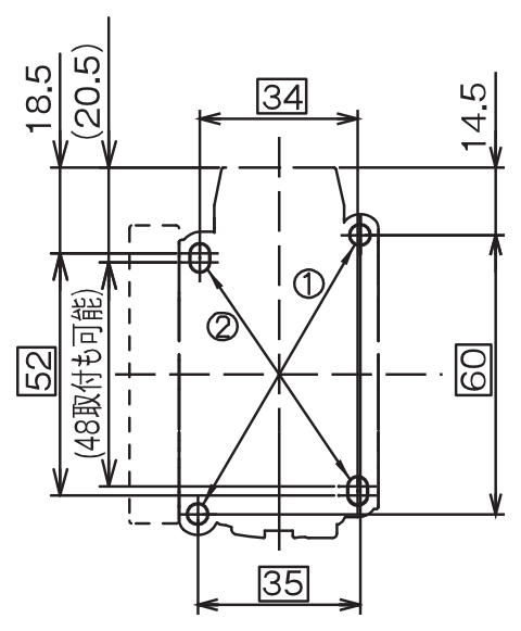
| 取付寸法 |
|
|
|
||||
| 主回路 | 端子ねじ | M3.5 | M3.5 | M3.5 | |||
| 圧着端子最大幅 | 7.7mm | 7.7mm | 6.8mm | ||||
| 補助回路 | 端子ねじ | M3.5 | M3.5 | M3.5 | |||
| 圧着端子最大幅 | 7.7mm | 7.7mm | 6.8mm | ||||
| 接点構成 |
|
|
|
||||
| 新SC、NEOシリーズとの取付互換性 | ○ | ||||||
| SRC,New SCシリーズとの取付互換性 | ○ | ||||||
- ※ 定格容量の( )内定格は、電磁接触器としてサーマルリレーなしで使用する場合の定格です。
- ※ 外形寸法は、幅(W)×縦(H)×奥行(D) により示しています。
- ※ 適合丸形圧着端子(JIS C 2805)のサイズは最大幅で表示しています。なお( )内数値は呼びサイズを示しています。
- ※ 現行サイズとの取付互換性表示……○:取付互換性あり、△( ):( )内形式のアダプタプレート取付による取付互換性あり、-:取付互換性なし
資料ダウンロードサイト
会員限定の技術資料およびサンプルプログラム等を無料
にてダウンロードすることが出来ます。
※ Feメンバーシッププレミアム会員のご登録が必要となります。
